DJT Home

 

Crystal Tuning Fork

Feature

  • Tuning Fork Reliability
  • Small Size
  • High Performance to Cost Ratio
  • Excellent Aging Characteristics

Specifications

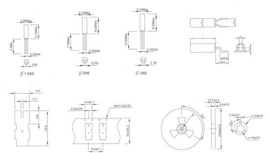
  Type ᶲ1.5×5, ᶲ2×6, ᶲ3×8
频率范围 Frequency Range (MHz) Tuning fork 20.000~200.000 KHz
调整频差 (ppm) Frequency Tolerance (at 25 °C) ±20 ~ ±50 ppm
拐点温度 ( °C) Turnover Temperature 25°C ±5 °C
二次温度系数 Parabolic Curvature constant -0.034±0.006ppm/ °C2
工作温度 ( °C) Operating Temperature -10 °C ~ +60°C
储存温度 ( °C) Storage Temperature Range -30 °C ~ +85°C
等效电阻 (Ω) Equivalent Series Resistance 50kΩ MAX
静态电容 (pF) Shunt Capacitance 0.6 ~2.0 pF
负载电容 (pF) Load Capacitance 6pF~∞, 12.5 pF(Standard)
绝缘电阻 (MΩ) Insulation Resistance ≥500 MΩ // DC 100 V ± 10V
激励功率(µW) Drive Level 1.0 µW Max
老化率(ppm/y) Aging ± 5ppm/year

Options Available

  Option
Paper tape & reel packing /ammo packing
Vinyl sleeve on crystal cover
Lead cut/ customer lead length options available
Special ESR
Gull wing option

Parabolic Temperature Curve

HC-49S

Dimensions (Unit:mm)

HC-49S

Download

Address

  • Shenzhen Dejingtong Technology Co. Ltd
    Shenzhen, Pingshan New District, Biyadi Street,
    Dawan Sqaure, A14-13A08
    Shenzhen 518118 Guangdong
  • China

Contact us

  • QQ: 710518158
  • Email: wangch@dejingtong.com
  • Tel: +86 13544005186
  • Fax:+86 755 27945891
  •